How to fix the high volume of sub tones on the TS-790E
The TS-790E (european version), has the subtones inside, but
they are not accessible.
There are 2 ways to enable them: the 1st one, is pressing "split+alert"
keys while turning it on, but it's a mess, coz you lost the memories everytime.
So better avoid it (anyway, you can find infos online).
The second way, is to insert a diode (the 22) in the SW unit and have a stable
situation. This is the most used, and you'll find infos surfing online.
What happens after?
You can work on repeaters, but tones are generated with a very
high volume, so if you use a repeater with a high frequency tone (about over
120/130Hz), you will inject a lot of noise in your voice, resulting in a bad
transmission.
People will start to tell you that the modulation is bad... and they are right.
The problem increases step by step with the raising of the tone frequency.
So, tired of this, i made a little, fast and simple mod to my
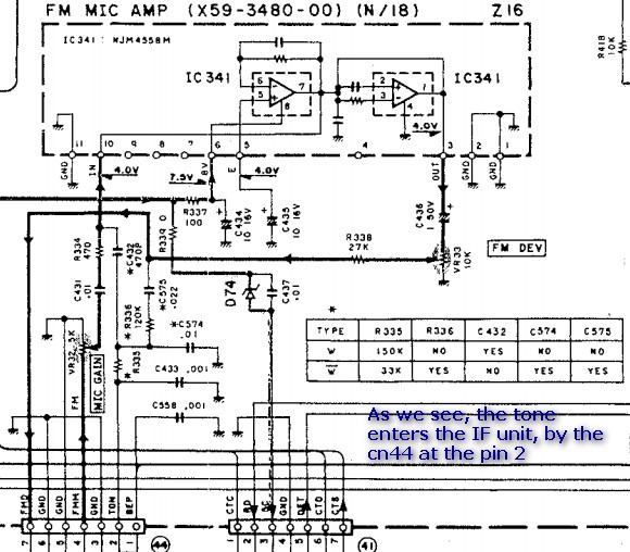
790, just reducing the strenght of the tones, before they enter into the IF
unit to be mixed with voice.
Note: the IF unit is the one at the bottom of the radio. So you just have to
remove only the bottom cover, putting upside down the 790.
I used a 47 kOhm trimmer and the following pictures, will show you where to act:






I hope this can be helpfull.
Best '73
IU2EFA